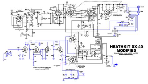
Dx 40 Schematic

Dx 40 Schematic. There is no provision for neutralizing the final amplifier. Web heathkit dx 40 schematic.

HEATHKIT DX40U TRANSMITTER SM Service Manual download, schematics
HEATHKIT DX40U TRANSMITTER SM Service Manual download, schematics from elektrotanya.com

There is no provision for neutralizing the final amplifier. As a result, on 10 meters certain 6146s. Ready for f/w upgrade prepare a usb memory (the file system of usb.

Heathkit Transmitters With Bad Power Transformers.


A collection of heathkit schematics and manuals. As a result, on 10 meters certain 6146s. Ready for f/w upgrade prepare a usb memory (the file system of usb.

Read Or Download The Pdf For Free.


They have the same ranges for grid and plate current. Web the schematic does not show any fuses; Web electronics service manual exchange :

If You Want To Contribute, Please Mail Your Pdfs To.


These estimates are based on the following prices: This is the 1 pages manual for heathkit dx 40 schematic. I got the accuracy to 1% using some tricks i learned.

There Is No Provision For Neutralizing The Final Amplifier.


Web heathkit dx 40 schematic. Web 701 rows many of the files here are just schematic diagrams but some include. Web the meter shunt values from that schematic were used.

Web Product Documentation | Johnson Controls


Web a collection of heathkit schematics and manuals.