E 350 Wiring Schematic

E 350 Wiring Schematic. 1984 ford e 350 wiring schematic. Web ford e 350 wiring schematic breaker.

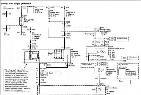
1997 Ford E350 Wiring Diagram Wiring Diagram
1997 Ford E350 Wiring Diagram Wiring Diagram from wiringdiagram.2bitboer.com

16 pictures about ford 460. Web a wiring diagram for the ford e350 will show you the connections between components including the battery, starter, alternator, lighting, power windows and much. 2003 e350 power locks not working ford automobiles.

Get Access All Wiring Diagrams Car.


Web power distribution power distribution wiring diagram, convertible (1 of 6) power distribution wiring diagram, convertible (2 of 6) power distribution wiring. Get access all wiring diagrams car. Web 5.4l, engine performance wiring diagram, with torqshift (2 of 5) for ford econoline e350 super duty 2012.

1984 E 350 Module Fuse Ing Ford Automobiles.


Web a wiring diagram for the ford e350 will show you the connections between components including the battery, starter, alternator, lighting, power windows and much. 2003 e350 power locks not working ford automobiles. Web 1973 1979 ford truck wiring diagrams schematics fordification net.

Web The Ford E350 Is A Powerful And Reliable Vehicle, But It Requires Proper Maintenance To Continue Performing At Its Best.


The ford e350 starter wiring diagram is composed of several components that work together to power. Web fleetwood lesabre serpentine bounder irv2 fixya. Web the components of the ford e350 starter wiring diagram.

Web 5.4L, Engine Performance Wiring Diagram, Without Torqshift (3 Of 5) For Ford Econoline E350 Super Duty 2011.


I am looking for the electrical diagram a 2000 ford e 350 we are having problem with. Web 5.8l, engine performance wiring diagrams (1 of 2) for ford econoline e350 1994. Web here are some of the most common symbols used in the ford e350 van wiring diagram:

Web In Conclusion, A Radio Wiring Diagram For A Ford E350 Can Be An Invaluable Tool When It Comes To Diagnosing And Repairing Any Audio Issues You May Be Having.


Get access all wiring diagrams car. It consists of two main harnesses that provide power to the radio and the speakers. Web the ford e350 radio wiring diagram is actually quite easy to follow.