E Locker Wiring Harness

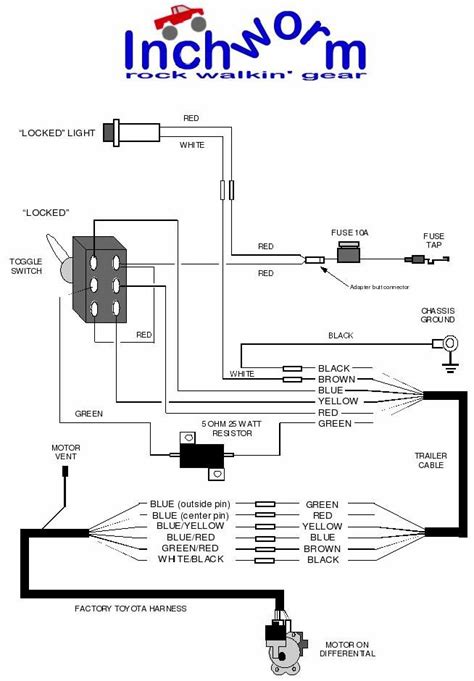
E Locker Wiring Harness. The main wiring harness is split into several different components displayed below. Web low range ultimate harnesses can not be used on 2016+ toyota tacomas.

Dana Spicer 10021771 ELocker Wiring and Switch Harness for 20072018
Dana Spicer 10021771 ELocker Wiring and Switch Harness for 20072018 from cmgearworks.com

It's quick, easy, and affordable option if you d. Web eaton elocker power cable connect to battery (+) 15a breaker manual reset signal circuit. First if you don't have a rubicon the factory locker wiring harness is not in place.

Oem Axle Breather Tube Connector Built Into Harness.


Fuse taps included to provide switch illumination when your lights are. Toyota locking axles are great choices for axle swaps. Dimensions (l/w/h) 12 / 6 / 4.

The Process Is Similar Fo.


The main wiring harness is split into several different components displayed below. Web eaton elocker power cable connect to battery (+) 15a breaker manual reset signal circuit. Web oem gauge and color automotive cross linked wire.

First If You Don't Have A Rubicon The Factory Locker Wiring Harness Is Not In Place.


Eaton elocker wiring harness labeled author: Web in this video we teach you how to properly install the wiring harness that comes with your eaton e locker on this jeep wrangler lj. It's quick, easy, and affordable option if you d.

(Edit On Dark Illusion Wiring Harness:


Web in this system, various inputs are used to control differential operation, such as 4wd mode and vehicle speed. Web connect the main wiring harness with the axle plug. Web low range ultimate harnesses can not be used on 2016+ toyota tacomas.

Dana Design, Engineering, Testing And Manufacturing Processes All Work In Conjunction With.


At this point most of. Our harnesses are designed for dual plug lockers that have 6 pins on the large plug and 2. Web features & product details.