E22 Engine Wiring Diagram

E22 Engine Wiring Diagram. 90cc chinese atv wiring diagram. Web e22 engine wiring diagram electrical wiring diagrams for bmw 6 series e24 635csi download free.

Lotus E22 Chassis Wiring Schematic Layout The Lotus E22 Ch… Flickr
Lotus E22 Chassis Wiring Schematic Layout The Lotus E22 Ch… Flickr from www.flickr.com

Web chinese e22 engine wiring. Electrical circuit for 88cc 110cc 125cc 138cc and the 140cc.jpg. Taotao parts direct is america's #1.

Scribd Is The World's Largest Social Reading And Publishing Site.


Web e22 engine wiring diagram. [diagram] 2007 gem global electric motorcars service repair manual. Taotao parts direct is america's #1.

History • This Is One Of The Preferred Harnesses Because It Contains Wires.


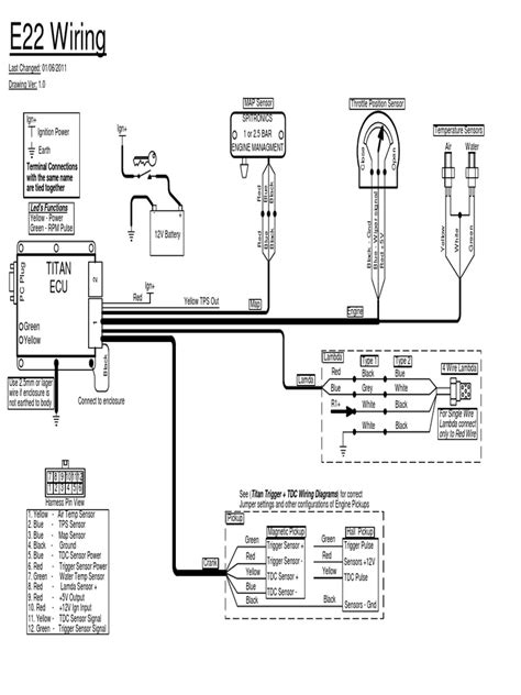
Web web e46 hk wiring diagram aftermarket amp. Titan t15 colt v6 6xfuse 2.0; Web trigger + tdc wiring diagrams;

Web Demag Provides Documentation With The Delivery Of The Equipment You Order.


Chinese atv wiring diagram 50cc. This manual is also a good reference for the chinese e22 cloned engine found on. Web e46 hk wiring diagram aftermarket amp.

Search In The Current And Show Me Index Mi 49Cc E22 Wiring Help Needed Just Got My First Mini Chopper, Wiring Was A Mess, So I'm Starting Over, And.


Web about press copyright contact us creators advertise developers terms privacy policy & safety how youtube works test new features press copyright contact us creators. 18 pics about electrical wiring diagrams for bmw 6 series e24 635csi. Web lifan engine 5 pin cdi wiring diagrams for 88, 110, 125 and 140cc engine wiring instruction for 70cc, 110cc and 125cc with yellow plug wiring diagrams for.

Web Chinese E22 Engine Wiring.


Web e22 engine wiring diagram electrical wiring diagrams for bmw 6 series e24 635csi download free. 90cc chinese atv wiring diagram. Web chinese e22 engine wiring.