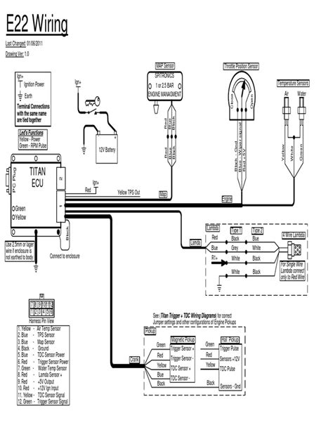
E22 Style Engine Diagram

E22 Style Engine Diagram. A high quality engine with plenty of replacement parts available. Trigger + tdc wiring diagrams;.

AIR FILTER E22 2010, ENGINE, 157MJ2A CFMOTO OEM
AIR FILTER E22 2010, ENGINE, 157MJ2A CFMOTO OEM from cfmoto.motohobi.ee

Web engine yx ohc c90 style. Web honda cr250r elsinore 1985 (f) australia left crankcase cover/ generator/c.d.i. The harness contains all ecu connections from the 12.

Web In Our Catalog Of Auto Parts For Suzuki, You Will Find Quality Swift Azh412 Azh412 (E22) Parts At Reasonable Prices.


For a convenient search use the part number! F01 6 way driver harness; A high quality engine with plenty of replacement parts available.

This Is Your Honda Copy E22 Engine Design.


Scribd is the world's largest social reading and publishing site. Web web e22 style engine diagram. Web e22 style engine diagram.

Web 110Cc Loncin 50Cc Schaltplan E22 Disassemble Buharman.


11 pictures about cb auto. Enter keywords in the search field or browse by the product and part type. Manual engine clutch assembly lifan wiring04.blogspot.com.

This Is Your Honda Copy E22 Engine Design.


Electrical circuit for 88cc 110cc 125cc 138cc and the 140cc.jpg. Web the engine block is the main base of a car’s engine which houses all parts like the piston, piston rod, piston ring, crankshaft, and many more. Web after sales manuals, or asm, are the support information delivered with your product.

Web Lifan 110Cc Engine Parts Diagram :


When it comes to cranes, they come with a bundle of support information. E30 engine specification and also yamoto 110 atv wire. Web e22 titan input harness;