E350 Wiring Schematic

E350 Wiring Schematic. Wiring diagram 1966 ford f100 f250 f350 truck f series mp0366. The ford e350 starter wiring diagram is composed of several components that work together to power.

I have a 2008 ford e350 van. It stopped charging, verified when engine
I have a 2008 ford e350 van. It stopped charging, verified when engine from www.justanswer.com

Get access all wiring diagrams car. Web in conclusion, a radio wiring diagram for a ford e350 can be an invaluable tool when it comes to diagnosing and repairing any audio issues you may be having. The switch on the passenger door is malfunctioning and will be.

Get Access All Wiring Diagrams Car.


The switch on the passenger door is malfunctioning and will be. Web 5.8l, engine performance wiring diagrams (1 of 2) for ford econoline e350 1994. Web the 1989 ford e350 van wire diagram is an important document for anyone looking to repair or maintain their model of the classic ford van.

2017 Ford F 350 Super Duty Truck Wiring Diagram Manual.


Web fortunately, ford offers detailed wiring diagrams for the e350 range of vehicles, which makes the task of figuring out the wiring much easier. It consists of two main harnesses that provide power to the radio and the speakers. Web the ford e350 radio wiring diagram is actually quite easy to follow.

Web 4.6L, Engine Performance Wiring Diagrams (1 Of 4) For Ford Econoline E350 1998.


Get access all wiring diagrams car. It is an important part of the ford lineup. Web the wiring diagram for the ford e350 is essential for anyone looking to work on their vehicle.

Wiring Diagram 1966 Ford F100 F250 F350 Truck F Series Mp0366.


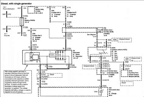
The ford e350 van is a vehicle that many people use for their daily transportation needs. Web a wiring diagram for the ford e350 will show you the connections between components including the battery, starter, alternator, lighting, power windows and much. Web 57 65 ford wiring diagrams.

Web In Conclusion, A Radio Wiring Diagram For A Ford E350 Can Be An Invaluable Tool When It Comes To Diagnosing And Repairing Any Audio Issues You May Be Having.


Get access all wiring diagrams car. Web the components of the ford e350 starter wiring diagram. Web radio radio wiring diagram, with rear entertainment (1 of 2) radio wiring diagram, with rear entertainment (2 of 2) radio wiring diagram, without rear.