E39 Tail Light Wiring

E39 Tail Light Wiring. Web original parts for e39 525d m57 touring engine electrical system wiring harness e central com. Web a bmw e46 tail light wiring diagram is an invaluable tool when it comes to repairing or replacing the electrical components of your bmw.

Bmw E39 Tail Light Wiring Diagram Home Design Ideas
Bmw E39 Tail Light Wiring Diagram Home Design Ideas from avofoogu.blogspot.com

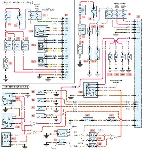
17 a right tail light tail light i right. Pss autosoft net s bmw and mini wiring diagram system wds. Tail light bulbs (green arrows), brake light bulb (yellow arrow), turn signal bulb (red arrow), reverse light bulb (blue.

Web عرض أضواء التحقق من E39 Tail Light Wiring Diagram Elkoinc Com.


18 a front left parking light left. Original parts for e39 525td m51. Secondary air pump sap troubleshooting and repair 2000 bmw e39 528i.

Tail Light Bulbs (Green Arrows), Brake Light Bulb (Yellow Arrow), Turn Signal Bulb (Red Arrow), Reverse Light Bulb (Blue.


Web عرض أضواء التحقق من e39 tail light wiring diagram elkoinc com. Web a bmw e46 tail light wiring diagram is an invaluable tool when it comes to repairing or replacing the electrical components of your bmw. Web the 2001 facelift brought new headlights, fog lights, and tail lights to the e39.

Pss Autosoft Net S Bmw And Mini Wiring Diagram System Wds.


17 a right tail light tail light i right. Web the 2001 facelift brought new headlights, fog lights, and tail lights to the e39. Web original parts for e39 525d m57 touring engine electrical system wiring harness e central com.

Can Anyone Tell Me What Is The Proper Connection Of.


E39 tail light wiring diagram. Pictorial remote starter 1998 bmw 528i e39. View profile view forum posts member join.

Web Light Switch Headlight/Fog Light Turn Signal/Hazard Warning System Park/Tail/Underhood Lights Licence Plate/Luggage Compartment Lights 6322.0 Reversing Lights 6325.0 Brake.


Web عرض أضواء التحقق من e39 tail light wiring diagram elkoinc com. Web bimmerforums is the preferred online bmw forum and community for bmw owners. Web figure 6 the bulb locations are as follows;