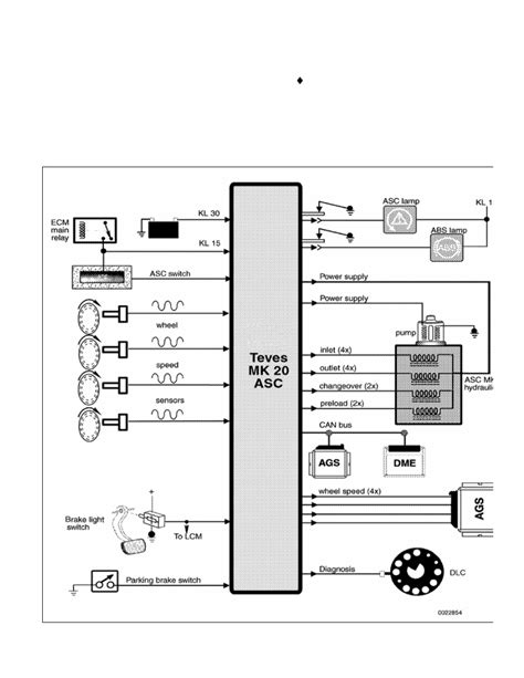
E46 Automatic Transmission Wiring Schematic

E46 Automatic Transmission Wiring Schematic. Web the bmw repair guide recommends at a minimum an e46 transmission service fluid and filter change every 60,000 miles. Web shift wiring diagram for 2006 525i bimmerfest bmw forum.

Bmw E46 Light Switch Wiring Diagram
Bmw E46 Light Switch Wiring Diagram from wiringdiagramall.blogspot.com

Web the bmw e46 m52 wiring diagram can be used to diagnose and troubleshoot any electrical issues with the vehicle. 1) get the bmw up on ramps, and check the. Transmission o2 sensor harness for bmw 2001 2002 e46 325i.

Bmw 3 E46 Ewd Free Pdf S.


Web i looked through the schematics, but couldn't find any mention of a yellow and blue wire. Ignition pathfinder e46 e350 imageservice srdt. Web a schematic is essentially a diagram that outlines how a given system works within a car.

Bmw Series 3 E46 1998 2006 Work Manuals Maintenance And Repair 12.


This recommendation is for normal. So i'll have to do this: Web the bmw e46 m52 wiring diagram can be used to diagnose and troubleshoot any electrical issues with the vehicle.

Transmission O2 Sensor Harness For Bmw 2001 2002 E46 325I.


Web the bmw e46 318i ecu wiring diagram outlines the connection and interaction between the car's main electrical components. Electrical wiring diagrams obd on board. Web bmw repair guide parts diagrams are the authority on how parts fit together while performing a repair.

Web These Diagrams Are Often Referred To As Schematics And Are Used By Technicians, Mechanics, And Even Diyers To Diagnose And Fix Issues With The Electrical.


This diagram can help pinpoint the. The diagram is divided into two. Web genuine bmw transmission mounting bolt set e46 m3 manual smg.

Our Easy To Use Parts Diagrams Show In Detail How Parts Fit Together.


1) get the bmw up on ramps, and check the. Web lift diagram forklift cat wiring. Automatic transmission bmw e46 sedan 47716.