E46 Speaker Wiring Diagram

E46 Speaker Wiring Diagram. Bmw wds is the official wiring diagram system for older bmws (up to the e60/e90). Web the bmw e46 318i ecu wiring diagram outlines the connection and interaction between the car's main electrical components.

car audio subwoofer wiring diagram
car audio subwoofer wiring diagram from diagrampartlarson101.z19.web.core.windows.net

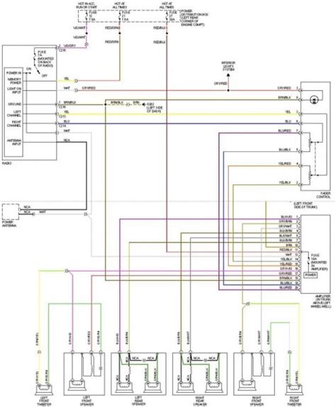
Web navigation audio hk amp wiring diagram north american motoring. (pin location on connector) (wire color code) (function) radio main plug x18126 (quadloc). Bmw 3 e46 electrical wiring diagrams.

(Pin Location On Connector) (Wire Color Code) (Function) Radio Main Plug X18126 (Quadloc).


· 4y · edited 4y pioneer deck, rockford sub/amp/components. Web e46 stereo wiring guide. Web ewd circuit diagrams of each electrical system, wiring route diagrams and diagrams showing the location of relays, etc.

This Informative Diagram Provides All Of The.


Quickly and easily install your bmw radio, amplifier or upgraded speakers using this wiring guide. Web hi, i am searching for a wiring diagram or some of you that have installed a aftermarket radio before in a bmw 330ci smg cabrio. Web navigation audio hk amp wiring diagram north american motoring.

Web The Wiring Diagram Provides A Visual Representation Of The Connection Between The Amplifier And The Speakers In The Car, Allowing You To Easily Identify Where.


Bmw wds is the official wiring diagram system for older bmws (up to the e60/e90). Web the bmw e46 318i ecu wiring diagram outlines the connection and interaction between the car's main electrical components. Original parts for e39 520d m47 sedan audio navigation electronic systems wiring harness e central com.

This Stereo Wiring Schematic Will Help.


Bmw 3 e46 electrical wiring diagrams. The diagram is divided into.