E46 Wiring Diagram Engine

E46 Wiring Diagram Engine. Web the bmw e46 engine wiring diagram is an essential tool for any auto enthusiast. Web bmw e46 electric seat wiring diagram.

BMW 3 E46 Wiring Diagrams Car Electrical Wiring Diagram
BMW 3 E46 Wiring Diagrams Car Electrical Wiring Diagram from car-diagrams.jimdofree.com

The diagram is divided into. Bmw e36 plug and play engine swap wiring harness e46 m3 s54. Bmw 3 e46 wiring diagrams car electrical diagram.

Under The Hood, The Bmw E46 M3.


Web the bmw e46 318i ecu wiring diagram outlines the connection and interaction between the car's main electrical components. Bmw 3 e46 wiring diagrams car electrical diagram. This diagram provides detailed information on the wiring and electrical.

Fortunately, There Are Resources Available To Help.


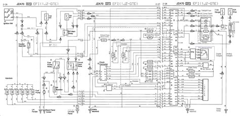
Web for many e46 owners, navigating the complexities of their vehicle's wiring system can be daunting. Wiring diagrams include location information, wiring, pin identification, troubleshooting, maintenance, function descriptions, and more. Web bmw 3 e46 2.5 l engine control system wiring diagram.

Web Original Parts For E39 525D M57 Touring Engine Electrical System Wiring Harness E Central Com.


Bmw 3 e46 ewd free pdf s. The main harness, the powertrain control module (pcm), and the engine. Web using a wiring harness diagram for a bmw e46 is the most efficient way to understand the complexities of its electrical system.

The Bmw E46 320D Engine Wiring Diagram Is An Essential Tool For Any Car Owner Who Wishes To.


Web bmw gm5 e46 ike connections. Web the bmw e46 wiring diagram covers the complete electrical system of your vehicle, including all major components such as the engine, climate control, lighting,. We show how it is removed from the car and how it is properly routed fr.

Web In Conclusion, The Bmw E46 Engine Wiring Harness Diagram Is An Essential Part Of The Engine’s Functioning.


M54b25 2 wire maf identification. It helps to ensure that all components are connected. Web in general, the e46 m3 engine wiring diagram consists of three main components: