E85 Engine Diagram

E85 Engine Diagram. We’ll start with the good stuff first—e85 has an octane rating of 100 to 105, which is 9 to 14 points higher than the 91 octane. Web compare with another car.

e85 engine diagram
e85 engine diagram from schematicsteven.z21.web.core.windows.net

By lew shaw » sat jan 12, 2013 10:53 pm. Web z4 electrical diagrams/schematics. I have been collecting pdf documents and information from past threads on this site.

It Is Typically Used For.


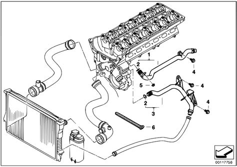
Web the engine needs to be maintained and in normal operating condition with no engine warning lights showing; By lew shaw » sat jan 12, 2013 10:53 pm. Web attached is an example of a coolant flow diagram.

Web Tom Merton | Getty Images.


This is a screenprint from bmw training manual st501 engine technology, part 04 engine mechanical, page 33. I have been collecting pdf documents and information from past threads on this site. Web compare with another car.

Numerical Comparative Mapping Study To Evaluate Performance Of A Dual Sequential Spark Ignition.


Web bmw e85 electrical wiring diagram bmw e85 electrical wiring diagram us 99 00 all auto repair software obd2tool. Web the bmw m54 engine, produced from 2000 to 2006, was one of the most competent engines the german manufacturer has built over the last few decades.the. Make sure that the vehicle's engine is tuned for gasoline.

Web Bmw Parts Diagram | Mini Cooper Parts Diagram | Easily Find Your Part With Our Simple To Use Diagrams.


Bmw e90 vanos solenoid replacement e91 e92 e93. Web z4 electrical diagrams/schematics. Web the results with respect to engine speeds, throttle angles and different fuels (ethanol and e85) are presented below in mapping plots.

However, A Variant Of The 3.5L Ecoboost Making 660 Horsepower Is.


Brake torque maps for ethanol and e85 are. We’ll start with the good stuff first—e85 has an octane rating of 100 to 105, which is 9 to 14 points higher than the 91 octane.