Eclipse Gt Engine Diagram

Eclipse Gt Engine Diagram. Not to say i do like. Web a convertible body style was added for the 1996 model year.

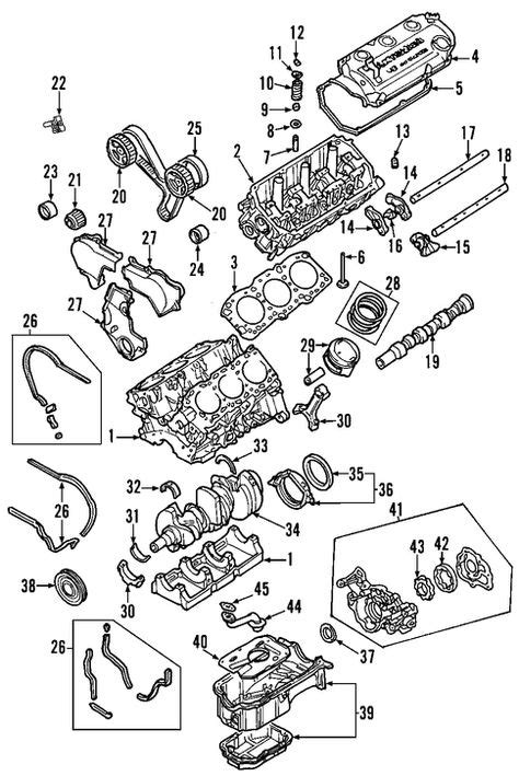
I have a 2000 Mitsubishi Eclipse, GT w/ V6 engine. Over 100K miles. It
I have a 2000 Mitsubishi Eclipse, GT w/ V6 engine. Over 100K miles. It from www.justanswer.com

2007 mitsubishi eclipse service &. Manual for repair, maintenance and. One of the reasons i dislike the other site.

Web 2.4L, Engine Performance Wiring Diagram, M/T (2 Of 4) For Mitsubishi Eclipse Gt 2006.


Web 2.4l, engine performance wiring diagrams, with sportronic (1 of 4) for mitsubishi eclipse gt 2000. 2007 mitsubishi eclipse service &. The eclipse has undergone four distinct generations:

Thus Bank 1, Sensor 1 Would Be Above The Cat Closest To The Firewall And Bank 1, Sensor 2 Would Be After The Cat.


Manual for repair, maintenance and. Get access all wiring diagrams car. Web engine performance 2.4l 2.4l, engine performance wiring diagrams, with m/t (1 of 2) 2.4l, engine performance wiring diagrams, with m/t (2 of.

Web Sensor 1'S Are On Top, Sensor 2'S Are On Bottom (Of The Engine).


Web view 01 eclipse gt engine diagram gif. Web a convertible body style was added for the 1996 model year. Not to say i do like.

Will A Motor From A 02 Eclipse Gt Automatic Fit In A 01 Eclipse Gt 5 Speed.will I Need To Change Out Any Sensors.


One of the reasons i dislike the other site. Discussion starter · #4 · jun 2, 2007. The first two generations (1g and 2g) share the automobile.

Web Get Your Hands On The Complete Mitsubishi Factory Workshop Software.


Get access all wiring diagrams car. I could care less about the post count. Web read 2007 mitsubishi eclipse service repair manual by 16326108 on issuu and browse thousands of other publications on our platform.