Eclipse Wiring Schematic

Eclipse Wiring Schematic. Web 2.4l, engine performance wiring diagram, with m/t (1 of 2) for mitsubishi eclipse gs 2001. Web 2.4l, engine performance wiring diagram, m/t (2 of 4) for mitsubishi eclipse gt 2006.

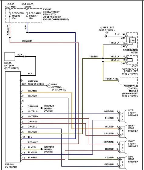
1997 mitsubishi eclipse wiring diagram
1997 mitsubishi eclipse wiring diagram from groover.sch.bme.hu

Get access all wiring diagrams car. Web 2008 mitsubishi eclipse radio wiring : Web select your mitsubishi eclipse pdf download from the list below:

Get Access All Wiring Diagrams Car.


Headlights mitsubishi eclipse spyder gs. Web tehnomagazin com schematics diagrams car radio wiring. Up to 20 city, 28 highway;

Web 2.4L, Engine Performance Wiring Diagram, With M/T (1 Of 2) For Mitsubishi Eclipse Gs 2001.


Phue95e1 and contains only additions and changes. Get access all wiring diagrams car. Web 3.8l, engine performance wiring diagram, m/t (1 of 4) for mitsubishi eclipse gs sport 2011.

Get Your Hands On The.


Web 2.4l, engine performance wiring diagram, m/t (2 of 4) for mitsubishi eclipse gt 2006. Web 2008 mitsubishi eclipse radio wiring : Web web audio electrical / signal information.

This Publication Is A Supplement To The Electrical Wiring Manual Pub.


Web air conditioning automatic a/c wiring diagram (1 of 2) for mitsubishi eclipse gs 2009 automatic a/c wiring diagram (2 of 2) for mitsubishi eclipse gs 2009. Web select your mitsubishi eclipse pdf download from the list below: Web 2.0l, a/c wiring diagram, a/t (2 of 2) for mitsubishi eclipse gs 1997.

Web Acc1000 Basic Wiring Example


Get access all wiring diagrams car. Mitsubishi eclipse spyder 2000 2002 service and repair manual part 709. Web eclipse car radio stereo audio wiring diagram autoradio connector wire installation schematic schema esquema de conexiones stecker konektor connecteur cable shema.