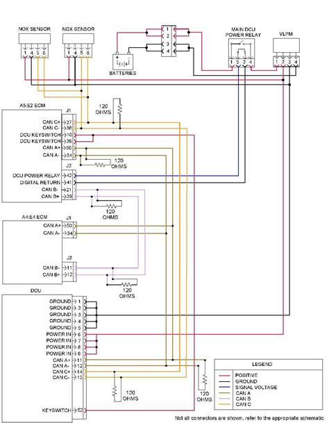
Ecm Wiring Harness

Ecm Wiring Harness. Web psi sells standalone wiring harnesses for gm gen ii, iii, iv, & v ls/lt based engines and transmissions. Efi 58x™ gm gen iv e67.

502 Mag ecm/wiring harness
502 Mag ecm/wiring harness from www.offshoreonly.com

Web the ecm wiring harness is responsible for transmitting signals between the ecm and other engine components, allowing for proper operation of the vehicle. Web psi sells standalone wiring harnesses for gm gen ii, iii, iv, & v ls/lt based engines and transmissions. 100 pieces (min order) xiamen.

Web The Ecm Wiring Harness Is Responsible For Transmitting Signals Between The Ecm And Other Engine Components, Allowing For Proper Operation Of The Vehicle.


Efi 58x™ gm gen iv e38 ecm; Web wiring harness length (in): Web scp wiring is optional on this one depending on what you're doing.

This Harness Connects The Electronic.


Enterpriselkq kc truck parts billings billings mt. Web here is a brief look at a couple of reasons that would cause your ecm to go bad, including the symptoms to help you diagnose a faulty or damaged unit. Available as the complete loom for.

100 Pieces (Min Order) Xiamen.


Peterbilt cab harness (total quality instrumentation). Web caterpillar 6nz engine wiring harness. Web shop ecm wiring harnesses and get free shipping on orders over $149 at speedway motors, the racing and rodding specialists.

Web Psi Sells Standalone Wiring Harnesses For Gm Gen Ii, Iii, Iv, & V Ls/Lt Based Engines And Transmissions.


Efi 58x™ gm gen iv e67. Web the electronic control module wiring harness, also known as ecm wiring harness, is a critical component of a truck's electrical system. Web wire harness assembly odm oem cnc equipment and mechanical control wiring harness cable assemblies manufacturer.

Complete Wiring Loom And Harness To Connect The Sensors And Actuators To The Electronic Control Module (Ecm) For Diesel Engines.


Electronic control module wiring harness. These harnesses include the gen ii lt1/lt4, gen iii (24x) ls1/ls6. Show more show less compare.