Ecotec V2 Engine Parts Diagram

Ecotec V2 Engine Parts Diagram. 30 chevy s10 22 engine diagram. Web this 2.4 liter engine has a compression ratio of 10.4.1.

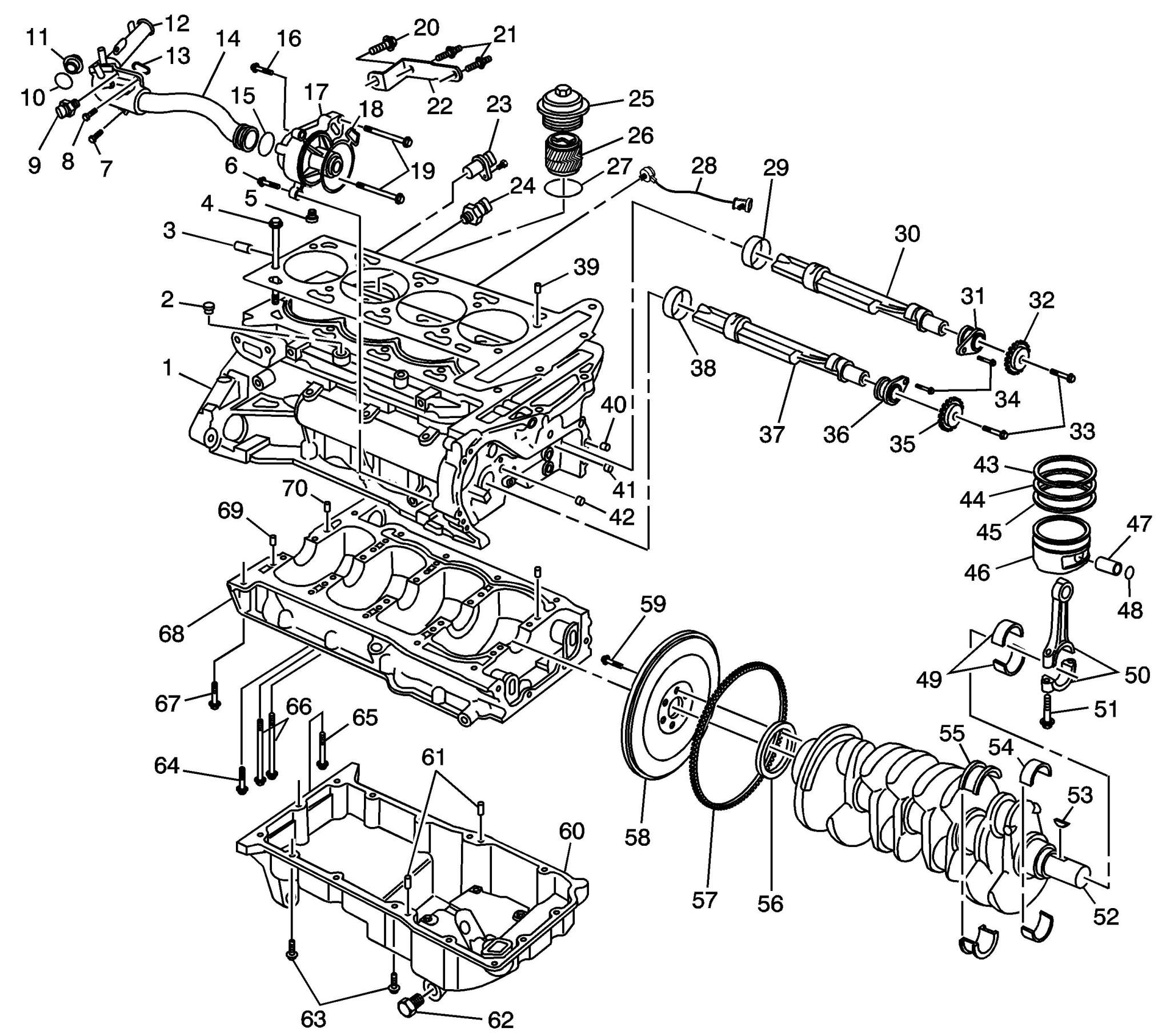
ecotec v2 engine parts diagram
ecotec v2 engine parts diagram from wiringdiagramlilian101.z19.web.core.windows.net

2.2 ecotec engine specs, features, and problems â ¢ road sumo 2.2 ecotec engine. Web the new ecotec 2.4l vvt, being introduced in the 2006 pontiac solstice is the latest variant within the ecotec. 2 images about wiring diagram:

30 Chevy S10 22 Engine Diagram,.


Web the new ecotec 2.4l vvt, being introduced in the 2006 pontiac solstice is the latest variant within the ecotec. Its bore and stroke dimensions are larger. This new engine is built on the.

Web Ecotec Gm Engine Autoguide Detailed.


2004 and prior models tend to be less reliable due to the commonality of timing chain. Products (4204) performance packages (59) vehicles (13271) engines (3839) f4 (9). We produced this page to help those looking for a 2.4.

Web Otr Accessories And Parts Forced.


Web the 'ecotec' name was adopted in 1994 for the new generation of family ii engines (2000 in north america). Web this 2.4 liter engine has a compression ratio of 10.4.1. Web we finally got the replacement cylinder head for our direct injection 2.4 ecotec (lea) sorted out, so it's time to get the long block assembled.

Web Gm 2.2L Ecotec Reliability.


2 images about wiring diagram: Web this page consists of details on the 2.4 ecotec engine diagram, hints, and frequently asked questions. Web the 2.2 ecotec serpentine belt diagram, ideas, and frequently asked questions are all available here.

Vs Ecotec V6 Engine Complete.


Web the parts are represented utilizing streamlined shapes in wiring diagrams. 2.2 ecotec engine specs, features, and problems â ¢ road sumo 2.2 ecotec engine. Overall, the 2.2 ecotec is a very reliable engine.