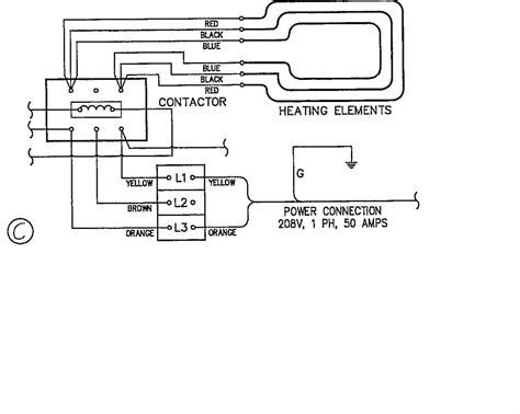
Electric Heaters Wiring Schematic

Electric Heaters Wiring Schematic. Customize hundreds of electrical symbols and quickly drop them into your wiring diagram. Web how to read a water heater wiring diagram or schematic on an electric water heater.

Hvac Training on Electric Heaters HVAC Training for Beginners
Hvac Training on Electric Heaters HVAC Training for Beginners from hvacbeginners.com

Web how to wire a baseboard heater. Web the electric heater wiring diagram, ideas, and regularly asked questions are all readily available here. Pull the cable from the center of the coil & raise a handful of coils.

The Next Step Is To Toss Them Across The Floor As If You’re Tossing A Coiled Rope.


To “off peak” clock 2 wire 1 phase. A wiring diagram will certainly reveal you where the wires need to be connected, getting rid of the demand for. We create this page for someone who looking for a electric.

Web The Comfort Zone Heater Wiring Diagram Is A Schematic Representation Of The Electrical Wiring System Of The Comfort Zone Heater.


Web a cadet wall heater wiring diagram typically includes the following components: Before attempting to wire an electric baseboard heater, it's important to kn. Pull the cable from the center of the coil & raise a handful of coils.

Web How To Read A Water Heater Wiring Diagram Or Schematic On An Electric Water Heater.


Web schematic electric space heater wiring diagram. Web the electric heater wiring diagram, ideas, and regularly asked questions are all readily available here. Customize hundreds of electrical symbols and quickly drop them into your wiring diagram.

Web How To Wire A Baseboard Heater.


The one i use in the video is a rheem marathon water heater. The core heating element of electric heaters is resistance wire. The wiring of heating elements doesn't require to distinguish positive and negative poles.