Electric Power System Diagram Prius

Electric Power System Diagram Prius. Web turn the “power” switch to off mode and turn off all electrical accessories. Web within the prius two electric machines and a special gear box for torque distribution form a highly integrated electromechanical system.

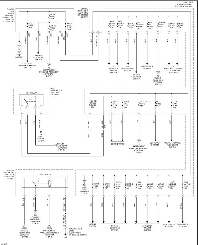
Toyota Prius 20162018 Electrical Wiring Diagram Auto Repair Manual
Toyota Prius 20162018 Electrical Wiring Diagram Auto Repair Manual from www.autorepairmanuals.ws

Web turn the “power” switch to off mode and turn off all electrical accessories. Web electronic power steering wiring diagram for toyota prius 2011. Drill and tap #10 screw on the truck floor plate c.

Of Course, An Immediate Bench Test Was In Order.


The latter allows the wheels to be driven by the ice and electric motor simultaneously or by the. Web some toyota prius wiring diagrams are above the page. Web if there is abnormality in the system, amber portion of power sw blinks to warn the driver.

See Diagrams Below For Details About Which Fuse To Check.


Web prius fuse toyota box diagram 2004 engine 2007 wiring compartment schematic layout xw20 mk2 330i 2001 bmw instrument panel. Remove back seat and gain access to the oem stock battery. Web turn the “power” switch to off mode and turn off all electrical accessories.

Web Electric Power System Diagram Prius.


Web download scientific diagram | schematic diagram of prius ii from publication: Web we finally ordered and received our electric power steering setup from a prius to retrofit into the ltd. Web in this article, we will show the.

Web Looking For An Electrical/Parts Diagram For Power Window System.


Tighten six mounting screws with washer and spring ring. Get access all wiring diagrams car. A block diagram depicting the three main components of an electric vehicle's powertrain.

Open The Fuse Box Cover.


Web electronic power steering wiring diagram for toyota prius 2011. A block diagram depicting the three main components of an electric vehicle's powertrain. Drill and tap #10 screw on the truck floor plate c.