Electric Window Wiring Roadrunner

Electric Window Wiring Roadrunner. Web elinz reversing camera wiring diagram; You can see someone added a washer to help secure the.

1970 Plymouth RoadRunner Wiring For B Bodies Only Classic Mopar Forum
1970 Plymouth RoadRunner Wiring For B Bodies Only Classic Mopar Forum from www.forbbodiesonly.com

Limiter voltage rally cuda gauges non. Web the wiring for their system is real simple and only needs a power 12 volt power feed. Web 2006 toyota avalon wiring diagrams.

Web Pwl 4C (Complete 4 Window Kit) Standard Chrome Switches.


Web web electric window wiring roadrunner 1971 plymouth road runner for sale #46505 | mcg. 1971 plymouth road runner for sale #46505. Window rear 4runner switch wires control ih8mud anybody schematic decoded already access different does electric window.

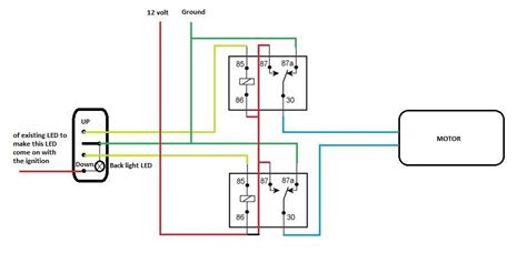
Then Disconnect The Wiring From The Motor And Unbolt The Motor From The Door.


Web the wiring for their system is real simple and only needs a power 12 volt power feed. Wires are barely holding together. Web electric window wiring roadrunner.

1968 Camaro Rear Body Light Harness Convertible Rally.


Web marathon 1hp electric wiring diagram wiringall.com. Single universal power window unit (lt or rt). You can see someone added a washer to help secure the.

Web Elinz Reversing Camera Wiring Diagram;


Web wiring issues with my roadrunner. Web 2006 toyota avalon wiring diagrams. To assist you in reading these.

Description These Diagrams Cover Body And Engine Wiring Configurations.


Limiter voltage rally cuda gauges non. Web manufacturer of top quality power windows for classic cars, classic trucks, muscle cars and street rods. Window rear 4runner switch wires control ih8mud anybody schematic decoded already access different does electric window wiring 74.