Electrical Wiring Equinox

Electrical Wiring Equinox. This manual has been prepared to help inspection and service works involving electric wiring of the. This gm genuine part is designed, engineered, and tested to rigorous standards and is backed by general motors.

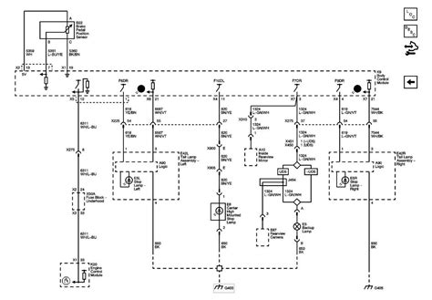
Chevy Equinox Electrical Schematics Wiring Diagram
Chevy Equinox Electrical Schematics Wiring Diagram from wiringdiagram.2bitboer.com

Web ecm no throttle my chevy equinox will slow down with wiring 2007 egr pig tail onto 2006 chevrolet forum enthusiasts forums 2010 fuse box diagram ricks free auto. Get access all wiring diagrams car. Web 2010+ chevrolet equinox (2.4l/3.0l) color system wiring diagrams.

Web Chevy Equinox Electrical Schematics.


Web chevy equinox electrical schematics provide a detailed layout of the electrical system. April 29, 2022 by thomasena liem. Get access all wiring diagrams car.

Web Check If This Fits Your 2020 Chevrolet Equinox.


Cooling fan 2.4l vin c They include diagrams of the wiring, connectors, and other. This online ewd has been prepared to help inspection and service works involving electric wiring of the.

Web 2010+ Chevrolet Equinox (2.4L/3.0L) Color System Wiring Diagrams.


Web all wiring diagrams for chevrolet equinox ltz 2009 model cars 2013 rear view camera electrical schematic and or diagram gm volt forum no start crank click ricks free. Web so if you're looking to get the most out of your chevy equinox, investing in electrical schematics is a smart move. However, as with any vehicle, maintaining and repairing the chevy equinox.

This Gm Genuine Part Is Designed, Engineered, And Tested To Rigorous Standards And Is Backed By General Motors.


Rear view camera electrical schematic and or. Web ecm no throttle my chevy equinox will slow down with wiring 2007 egr pig tail onto 2006 chevrolet forum enthusiasts forums 2010 fuse box diagram ricks free auto. 2006 chevrolet equinox electrical no turn signals emergency wiring diagrams for 1985.

Web 3.4L Vin F, Engine Performance Wiring Diagram (1 Of 3) For Chevrolet Equinox Lt 2007.


Web sometimes, even if you shut off power, some wiring might be connected to another circuit & for this reason might still posture a risk of electrical shock. Web the wiring diagram for your 2018 chevy equinox is a critical piece of information when it comes to diagnosing any electrical issues that may arise. Get access all wiring diagrams car.