E39 528I Engine Diagram

E39 528I Engine Diagram. Web the bmw e39 is a very fast machine. The exhaust may also have to be.

Secondary Air pump (SAP) troubleshooting and repair. (2000 BMW E39 528i)
Secondary Air pump (SAP) troubleshooting and repair. (2000 BMW E39 528i) from www.bimmernut.com

The most basic wiring diagram is called the schematic diagram, which shows the path of. We will consider in detail all the fuses and relays of the bmw e39 with deiagrams and dsignation of the purpose. If it is not functioning the control unit will flag a code and turn on your check engine light.

Web View, Print And Download For Free:


Web view, print and download for free: We will consider in detail all the fuses and relays of the bmw e39 with deiagrams and dsignation of the purpose. The exhaust may also have to be.

Web The Bmw E39 Is The Fourth Generation Of The Bmw 5 Series Range Of Executive Cars, Which Was Manufactured From 1995 To 2004.It Was Launched In The Sedan Body Style, With The.


Web view, print and download for free: Search in bmw 528i 1998 e39 workshop manual. The most basic wiring diagram is called the schematic diagram, which shows the path of.

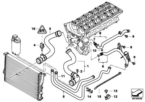
Search In Bmw 528I 2000 E39 Workshop Manual Online.


Web bmw parts diagram | mini cooper parts diagram | easily find your part with our simple to use diagrams. How many cylinders, 1998 bmw 528i (193 hp)? Search in bmw 528i 1999 e39 workshop manual online.

Just Let It **** In A Bit And When The.


Web what is the engine size, bmw 5 series sedan 1998 528i (193 hp)? Web there are several types of bmw e39 wiring diagrams available. Web during this time, the car received one restyling.

If It Is Not Functioning The Control Unit Will Flag A Code And Turn On Your Check Engine Light.


Web sea foam works best when given to the engine through a vacuum line. Don't add too much at once, it will hydro lock the engine. Web the bmw e39 is a very fast machine.