Electic Window Wiring Diagram 1977 Chevy

Electic Window Wiring Diagram 1977 Chevy. Posted by rick baker on jun 08, 2012. Web web 1977 chevrolet truck wiring diagrams :.

Chevy 5.3 Ignition Coil Wiring Diagram / Wiring Diagram General Motors
Chevy 5.3 Ignition Coil Wiring Diagram / Wiring Diagram General Motors from carleyd-paying.blogspot.com

1977 1977 was the first year power windows and door locks were offered as well as intermittent wipers. Web wiring corvette diagram electrical 1978 1979 1969 1980 1975 1981 1961 corvetteparts 1962 thumbnail diagrams parts. 1977 chevy c10 pickup 1978 chevy c10.

Original Factory Manual Targeted Towards Electrical Troubleshooting And Diagnostics.


Web electrical & audio. Web 1977 corvette power window wiring diagram. Web web 1977 chevrolet truck wiring diagrams :

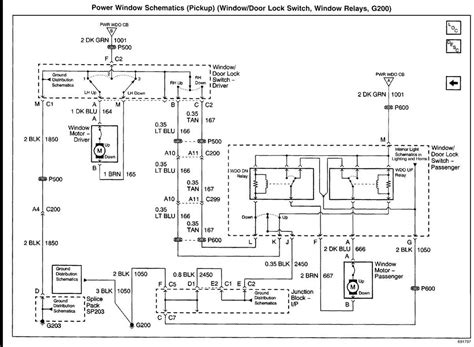
Web A Chevy Power Window Switch Wiring Diagram Can Be A Useful Tool For Identifying And Solving Power Window Issues.


Web 1977 corvette power window wiring diagram. 1977 1977 was the first year power windows and door locks were offered as well as intermittent wipers. If you want all the premium wiring.

Web A Power Window Wiring Diagram Is A Schematic Diagram Of The Electrical Wiring In Your Vehicle's Power Windows.


It provides a detailed overview of the. 1977 chevy c10 pickup 1978 chevy c10 pickup. Web wiring corvette diagram electrical 1978 1979 1969 1980 1975 1981 1961 corvetteparts 1962 thumbnail diagrams parts.

It Provides Information About The Wires,.


Flasher wiring led diagram grote electronic indicator unit volt ripca. Get access all wiring diagrams car. Posted by rick baker on jun 08, 2012.

Web 1977 Chevrolet Corvette Wiring Diagram From Diagrampartsteven101.Z13.Web.core.windows.net.


Power windows wiring diagram, with an3/dl3 option. Web web our best advice is not only look in the diagram, nevertheless understand how the components operate when within use. Power windows wiring diagram, without.